Haus mit Entwicklungskonzept für 10 Wohnungen
-
ab sofort
Beschreibung
Dieses großzügige Haus mit einer derzeitigen Fläche von ca. 615,28 m² bietet Ihnen die Möglichkeit, diesse sanierungsbedürftige Haus zu entwickeln und neuen Charm einzuhauchen.
Die Liegenschaft, mit einer Fläche von ca. 1.189m² Grund, liegt im Bauland-Gemischtes Baugebiet in der Gemeinde Bad Tatzmannsdorf/Jormannsdorf im Bezirk Oberwart. Dem größten Kurort im Burgenland.
Bad Tatzmannsdorf ist nicht nur für seine atemberaubende Natur bekannt, sondern auch für sein angenehmes Lebensgefühl.
Ursprünglich war diese Liegenschaft eine Pension mit Ferienwohnungen, Gemeinschaftsraum und einer Sauna.
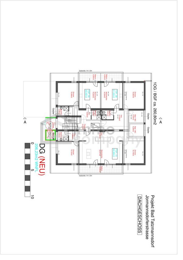
ENTWICKLUNGSKONZEPT:
Es liegt ein Entwicklungskonzept für 10 Wohnungen + 20 Außenstellplätze sowie 2 Garagenplätze vor.
Die Wohnungen sind zwischen...
Dieses großzügige Haus mit einer derzeitigen Fläche von ca. 615,28 m² bietet Ihnen die Möglichkeit, diesse sanierungsbedürftige Haus zu entwickeln und neuen Charm einzuhauchen.
Die Liegenschaft, mit einer Fläche von ca. 1.189m² Grund, liegt im Bauland-Gemischtes Baugebiet in der Gemeinde Bad Tatzmannsdorf/Jormannsdorf im Bezirk Oberwart. Dem größten Kurort im Burgenland.
Bad Tatzmannsdorf ist nicht nur für seine atemberaubende Natur bekannt, sondern auch für sein angenehmes Lebensgefühl.
Ursprünglich war diese Liegenschaft eine Pension mit Ferienwohnungen, Gemeinschaftsraum und einer Sauna.
ENTWICKLUNGSKONZEPT:
Es liegt ein Entwicklungskonzept für 10 Wohnungen + 20 Außenstellplätze sowie 2 Garagenplätze vor.
Die Wohnungen sind zwischen 37 m² - 105 m² groß. Jede Wohnung verfügt über einen Balkonzugang (Ost- oder Westausrichtung) oder eine Außenfläche wie Garten oder Terrasse.
Im Keller gibt es genügend Platz für einen Technikraum, Fahrradraum, Müllraum, allgemeinen Kellerraum sowie 10 Kellerabteile.
Zusätzlich zur Wohnung steht entweder eine Garage oder ein Parkplatz zur Verfügung.
__________________________
BEBAUUNGSMÖGLICHKEIT:
Bebauungsweise: offen oder halboffen
Bebauungsdichte: 50% / 20 % -> 50% Ausnutzung, 20 % max. unversiegelte Fläche
Geschossanzahl: E+3 -> Erdgeschoss + 3 Geschosse
Bauland-Gemischtes Baugebiet
Pro Wohneinheit sind min. 2 Stellplätze vorgesehen. Bei Wohnungen unter 55m² ist 1 Stellplatz erforderlich.
Weitere Daten entnehmen Sie den derzeitigen Bauvorschriften der Gemeinde Bad Tatzmannsdorf, welche ich Ihnen gerne übermitteln werde.
__________________________
INFRASTRUKTUR und WELLNESS:
1,4 km Bushaltestelle (304, 310, G1) Bad Tatzmannsdorf Joseph-Haydn-Platz
1,2 km Kurpark
1,2 km Volksschule
1,1 km AVITA Therme
800 m Freibad
Was bietet Bad Tatzmannsdorf noch:
- Diverse Lebensmittelbetriebe im Ort
- Restaurants, Cafes, Heurigen oder Mostschänken
- Wanderwege und Radtouren in und rund um Bad Tatzmannsdorf
- Diverse Museen
- Aussichtswarte Sulzriegel
- Golfplätze (9-Loch und 18-Loch)
- Reitstall
Die Verkehrsanbindung ist hervorragend. Mit Bus und Bahnhof in der Nähe sind Sie bestens vernetzt, sodass Sie die Umgebung problemlos erkunden können. Darüber hinaus finden Sie in unmittelbarer Nähe alle wichtigen Einrichtungen des täglichen Bedarfs wie eine Apotheke, Schulen und Supermärkte.
Die Bundesstraße B50 führt nach Oberwart oder Pinkafeld. Über diese erreichen man die Südautobahn A2 Richtung Wien oder Kärnten.
Nutzen Sie diese Chance, um eine Immobilie in einer der schönsten Regionen Österreichs zu erwerben. Lassen Sie sich von der Ruhe und der Lebensqualität dieser Region verzaubern.
Bitte beachten Sie, dass wir gemäß österreichischer Gewerbeordnung §§ 365 m-z (GewO 1994) sowie unserer Nachweispflicht gegenüber dem Auftraggeber nur Anfragen mit vollständiger Angabe Ihrer persönlichen Daten – d.h. Vor- und Familien- bzw. Firmenname, kompletter Anschrift, Telefonnummer und Email- Adresse – bearbeiten bzw. detaillierte Unterlagen weiterleiten können.
Hinweis gemäß Energieausweisvorlagegesetz: Ein Energieausweis wurde vom Eigentümer bzw. Verkäufer, nach unserer Aufklärung über die generell geltende Vorlagepflicht, sowie Aufforderung zu seiner Erstellung noch nicht vorgelegt. Daher gilt zumindest eine dem Alter und der Art des Gebäudes entsprechende Gesamtenergieeffizienz als vereinbart. Wir übernehmen keinerlei Gewähr oder Haftung für die tatsächliche Energieeffizienz der angebotenen Immobilie.
Wir weisen darauf hin, dass zwischen dem Vermittler und dem zu vermittelnden Dritten ein familiäres oder wirtschaftliches Naheverhältnis besteht.
Der Vermittler ist als Doppelmakler tätig.
Nutzen Sie die einmalige Gelegenheit, diese Immobilie zu besichtigen – sehen und erleben ist sehr viel eindrucksvoller!
Eine Besichtigung ist kostenfrei und unverbindlich, und gibt Ihnen einen unverfälschten Eindruck von der Immobilie.
Gerne unterstütze ich Sie auch bei der Finanzierung sowie beim Verkauf/Vermietung Ihrer Immobilie.
Infrastruktur / Entfernungen
Gesundheit
Arzt <1.500m
Apotheke <1.000m
Krankenhaus <7.500m
Kinder & Schulen
Schule <1.000m
Kindergarten <3.000m
Universität <2.000m
Höhere Schule <7.500m
Nahversorgung
Supermarkt <500m
Bäckerei <1.500m
Einkaufszentrum <7.000m
Sonstige
Bank <2.000m
Geldautomat <2.000m
Post <1.500m
Polizei <1.500m
Verkehr
Bus <500m
Bahnhof <1.000m
Flughafen <10.000m
Angaben Entfernung Luftlinie / Quelle: OpenStreetMap
Objektdaten
Ausstattung
- WG geeignet
- Räume veränderbar
- Gartennutzung
- Fliesenboden
- Estrichboden
- Ausrichtung Balkon/Terrasse - Ost
- Ausrichtung Balkon/Terrasse - West
Zustand
- Zustand
- SANIERUNGSBEDUERFTIG
- Baujahr
- 1973
Flächen
- Grundstücksfläche
- 1.189m²
Kosten
- Kaufpreis Brutto
- € 450.000,00
Verwaltung
- Verfügbar ab
- ab sofort
Häuser zum Kaufen im Umkreis von Bad Tatzmannsdorf
Häuser zum Kaufen im Umkreis von Bad Tatzmannsdorf
Häuser zum Kaufen in Österreich
Andere Besucher suchen nach...
- Grundstücke kaufen in 3400 Weidlingbach
- Wohnungen kaufen in 4663 Laakirchen
- Häuser in 7471 Rechnitz
- Wohnungen in 2410 Hainburg an der Donau
- Häuser kaufen in 2432 Schwadorf
- Wohnungen kaufen in 3002 Purkersdorf
- Häuser in 3150 Wilhelmsburg
- Wohnungen kaufen in 3470 Engelmannsbrunn
- Grundstücke kaufen im Bezirk Mattersburg
- Grundstücke kaufen im Bezirk Gmunden